Nuestros Servicios
Soluciones eléctricas confiables para cada proyecto.


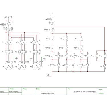
Diseño planos eléctricos
Análisis del proyecto, definición de la solución técnica y entrega de la documentación
Fabricación e instalación tableros de automatización y control
Levantamiento, diseño, fabricación y pruebas
Gestión documentación para certificación RETIE
Revisión, armado, acompañamiento y cierre


Proyectos
Montajes eléctricos que garantizan seguridad y eficiencia.










